Ruichen zigilatzeko teknologiaren berrikuntzaren abangoardian dago. Presio handiko hauts-zigiluak modu independentean garatutako piezek mugitzen dituzten hauts-eskariak eta PTFE hautsa eta o-eraztunak erabiltzen dituzte babes bikaina sortzeko. Lanean egitean, O-Ring-ek aurrez karga egonkorra aplikatzen du uneoro PTFE eraztunaren higadura konpentsatzeko, zigiluaren epe luzerako egonkortasuna bermatuz; Hauts eraztunak higadura anti-betegarriak erabiltzen ditu hautsa inbasio biziki aurre egiteko. Adibidez, eraikuntzako makineriaren zilindro hidraulikoen artikulazioetan, eraikuntza-gunearen hautsera begira, presio handiko hauts-zigiluak hautsa modu eraginkorrean blokeatzen dute eta zilindroaren funtzionamendu egokia ziurtatzen dute; Ekoizpen-lerro robotikoaren beso robotikoaren kulunkatze-lotura, hauts zigiluak hautsezko piezen hautsetik babesten ditu eta zehaztasun handiko eragiketak mantentzen ditu; Meatze-ekipoen espiral transmititzeko gailuak, mineralaren ingurunean, presio handiko hauts zigiluak ekipamenduaren funtzionamendu egonkorra bermatzen du, balizko akatsak murrizten ditu eta ekipoen bizitza luzatzen dute. Ruichen zigilatzea garapen sakonean oinarritu da denbora luzez. Talde profesionala eta puntako instalazioetan oinarrituz, errendimendu handiko zigilatze materialak pertsonalizatu gabe, bezeroen beharrizanen arabera, ezin da soilik ekoizpenaren kalitatea kontrolatu, baina polinoximetilenoa bezalako material aberatsak eta askotarikoak ere erreserbatuz, bezeroei geldialdi bakarrean geldiarazteko eta industrian altuera berrietara elkarrekin lan egiten duten bezeroei laguntzeko.
Hautsak zigilatzeko lan baldintzak
| Profil | Eredu | Tenperatura (℃) | Abiadura (m / s) | Komunikabideak |
![]() |
Rcf01 | -35 ~ + 100 (O-Ring NBrekin bat datozenak) | 6 | Olio hidraulikoa, emultsioa, ura eta abar. |
| -20 ~ + 200 (O-Ring FKM bat datozenak) | ||||
![]() |
Rcf02 | -35 ~ + 100 (O-Ring NBrekin bat datozenak) | 6 | Olio hidraulikoa, emultsioa, ura eta abar. |
| -20 ~ + 200 (O-Ring FKM bat datozenak) | ||||
![]() |
Rcf03 | -35 ~ + 100 (O-Ring NBrekin bat datozenak) | 6 | Olio hidraulikoa, emultsioa, ura eta abar. |
| -20 ~ + 200 (O-Ring FKM bat datozenak) | ||||
![]() |
Rcf04 | -35 ~ + 100 (O-Ring NBrekin bat datozenak) | 6 | Olio hidraulikoa, emultsioa, ura eta abar. |
| -20 ~ + 200 (O-Ring FKM bat datozenak) | ||||
![]() |
Rcf05 | -35 ~ + 100 (O-Ring NBrekin bat datozenak) | 6 | Olio hidraulikoa, emultsioa, ura eta abar. |
| -20 ~ + 200 (O-Ring FKM bat datozenak) |
Agindu adibidea:
Agindu eredua RCF01-80-PTFE3-R01
RCF01-80-EREMUA Diametroa PTFE3-Unibertsala Aldatutako PTFE R01-rekin bat datorren gomazko materialaren kodea
Nitrile kautxua (NBR) -R01 fluororubber (FKM) -R02
Agindu eredua RCF02-80-PTFE3-R01
RCF02-80-Eredua Diametroa PTFE3-General Aldatutako PTFER01-rekin bat datorren gomazko materialaren kodea
NBR (NBR) -R01 fluororubber (FKM) -R02
Agindu eredua RCFO3-80-PTFE3 -R01
RCF03-80-EREMUA Diametroa PTFE3-General PTFE R01-rekin bat datorren gomazko materialaren kodea
Nitrile kautxua (NBR) -R01 fluororubber (FKM) -R02
Agindu eredua RCF04-80-PTFE3-R01
RCF04-80-EREMUA Diametroa PTFE3-Nagusia PTFE R01-rekin bat datorren gomazko materiala
Nitrile kautxua (NBR) -R01 fluororubber (FKM) -R02
Agindu eredua RCF04-80-PTFE3-R01
RCF04-80-EREMUA Diametroa PTFE3-Nagusia PTFE R01-rekin bat datorren gomazko materiala
Nitrile kautxua (NBR) -R01 fluororubber (FKM) -R02
Agindu eredua RCF05-80-PTFE3-R01
RCF05-80-Eredua Diametroa PTFE3-General PTFE R01-rekin bat datorren gomazko materialaren kodea
Nitrile kautxua (NBR) -R01 fluororubber (FKM) -R02
Zehaztapenak:
| RCF01 zehaztapenak (parametroen barrutik edozein tamainatako produktuak eman daitezke) | ||||||
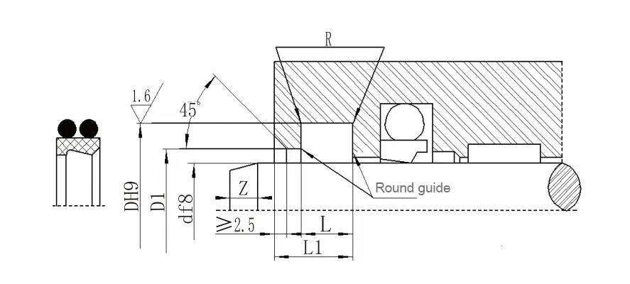
| Ardatzaren diametroaren barrutia D f8 |
Groove diametroa D h9 |
Groove zabalera L+0.2 |
Zulo irekiko diametroa D1 H11 |
Zulo zabaleko zabalera a≥ |
Txoko biribilak R≤ ≤ |
O-ring alanbre diametroa erabili0 |
| 19 ~ 39 | D + 7,6 | 4.2 | D + 1,5 | 3 | 0.8 | 2.65 |
| 40 ~ 69 | d + 8,8 | 6.3 | D + 1,5 | 3 | 0.8 | 2.65 |
| 70 ~ 139 | d + 12.2 | 8.1 | D + 2.0 | 4 | 0.8 | 3.55 |
| 140 ~ 399 | d + 16,0 | 9.5 | D + 2,5 | 5 | 1.5 | 5.30 |
| 400 ~ 649 | d + 24,0 | 14 | D + 2,5 | 8 | 1.5 | 7.00 |
| 650 ~ 1500 | d + 27.3 | 16 | D + 2,5 | 10 | 2.0 | 8.60 |
| RCF02, RCF03 zehaztapen parametroen taula (parametroen barrutik edozein tamainatako produktuak eman daitezke) | ||||||
| Ardatzaren diametroaren barrutia D f8 |
Groove diametroa D h9 |
Groove zabalera L+0.2 |
Zulo irekiko diametroa D1 H11 |
Zulo zabaleko zabalera a≥ |
Txoko biribilak R≤ ≤ |
O-ring alanbre diametroa erabili0 |
| 4 ~ 11 | D + 4,8 | 3.7 | D + 1,5 | 2 | 0.4 | 1.8 |
| 12 ~ 64 | D + 6,8 | 5 | D + 1,5 | 2 | 0.7 | 2.65 |
| 65 ~ 250 | d + 8,8 | 6 | D + 1,5 | 3 | 1.0 | 3.55 |
| 251 ~ 420 | d + 12.2 | 8.4 | D + 2.0 | 4 | 1.5 | 5.30 |
| 421 ~ 650 | d + 16,0 | 11 | D + 2.0 | 4 | 1.5 | 7.00 |
| 651 ~ 1500 | d + 20,0 | 14 | D + 2,5 | 5 | 2.0 | 8.60 |
| RCF04 Zehaztapen parametroen taula (parametroen barrutik edozein tamainatako produktuak eman daitezke) | ||||||
| Ardatzaren diametroaren barrutia D f8 |
Groove diametroa Dh9 |
Urratsaren diametroa D1 H11 |
Groove zabalera L+0.2 |
Zabalera orokorra L1 |
Txoko biribilak Rmaax | Chamfer luzera Kirm |
| 20 ~ 39,9 | D + 7,6 | D + 1 | 4.2 | 8.2 | 0.4 | 3 |
| 40 ~ 69,9 | d + 8,8 | D + 1,5 | 6.3 | 10.3 | 1.2 | 4 |
| 70 ~ 139,9 | d + 12.2 | D + 2.0 | 8.1 | 12.1 | 2 | 6 |
| 140 ~ 399,9 | d + 16,0 | D + 2.0 | 11.5 | 15.5 | 2 | 8 |
| 400 ~ 649,9 | d + 24,0 | D + 2,5 | 15.5 | 19.5 | 2 | 10 |
| 650 ~ 1000 | d + 27.3 | D + 2,5 | 18.0 | 23.0 | 2 | 12 |
| RCF05 zehaztapen parametroen taula (parametroen barrutik edozein tamainatako produktuak eman daitezke) | ||||||
| Ardatzaren diametroaren barrutia D f8 | Groove diametroa Dh9 | Urratsaren diametroa D1 H11 | Groove zabalera L+0.2 |
Alboko zabalera L1 |
Txoko biribilak Rmaax |
Chamfer luzera Kirm |
| 100 ~ 229 | d + 22.2 | d + 10,7 | 6.3 | 4.2 | 1.2 | 6 |
| 230 ~ 299 | d + 24.2 | d + 10,7 | 6.3 | 4.2 | 1.2 | 8 |
| 300 ~ 629 | d + 33.0 | d + 15.1 | 8.1 | 6.3 | 1.2 | 10 |
| 630 ~ 1000 | d + 36,5 | d + 15.1 | 9.5 | 6.3 | 2 | 12 |
Aplikazioa:
Nagusien makineria, prentsa hidraulikoetan, injekzio moldatzeko makinetan, kontrol hidraulikoen sistemetan, orga jasotzaileak, prentsak, garabiak, kargatzeko eta deskargatzeko makineria, etab.











Helbidea
No.1 Ruichen Road, Dongliuting industria parkea, Chengyang barrutia, Qingdao hiria, Shandong probintzia, Txina
Tel
Posta elektronikoa