Zigilu estatikoen konponbideak biratzeko aukera osoa eskaintzen dugu, helburu orokorreko eta presio handiko produktu bereziak estaltzen dituztenak. RCFL106 / 102 eta RCK126 oinarrizko ereduak dira egitura sinplea eta aplikazio zabala dutenak; RCS130 / 131 eta RCFL108 estrusioaren kanpoko diametroaren instalazioen diseinua hartzea, zirrikituaren kapsularen egonkortasuna bermatzeko; RCK120 / 127 eta antzeko serieko produktuek fidagarritasun bera lortzen dute estrusio barruko diametroaren instalazioaren bidez.
Bride zigilatzeko beharrei erantzunez, RCF110 eta RCR118-k presioa jasan dezake bi noranzkoetan, eta presioaren norabidea adierazi behar da eskaera egitean. Produktuen lerroak presio baxuko presio handiko lan baldintzetara estaltzen du eta materiala higadurarekiko erresistentea eta korrosioarekiko erresistentea da, eta oso erabilia da sistema hidraulikoetan, kanalizazio konexioetan eta ekipamendu industrialen zigilatzeak.
Produktuen ezaugarriak eta aplikazioak:
Aplikazioa: Helburu orokorra, ID zigilua, zigilua, zigilu axiala
O-ring zehaztapenak eta zirrikituak
Eskaeraren tamaina
ΦD1 ...... barruko diametroa
ΦD2 ...... ataleko diametroa
Adibidez
Eredua: RCFL106
Barneko diametroaren atala Diametroa: 14x1.8
Materiala: NBR
Eskabide
Barrutik presioa: O-ring kanpoko diametrotik konprimitzen da
Kanpotik presioa: O-eraztuna barruko diametrotik konprimitzen da
O-eraztunek fabrikazio tolerantzia zehatzak dituzte. Onartutako tolerantziak din3771 eta ISO3601 / 1 (atal gurutzatuaren diametroa 7mm-ko diametroa, 670 mm-ra arte). Dagokion tolerantziak hurrengo taulan agertzen dira.
| Atalen tolerantzia | ||||||||
| Sail | 1.80 | 2.65 | 3.55 | 5.30 | 7.00 | 8.4 | 10.00 | 12.00 |
| Tolerantzia | ± 0,08 | ± 0,09 | ± 0,10 | ± 0,13 | ± 0,15 | ± 0,18 | ± 0,21 | ± 0,25 |
| Barruko diametroaren tolerantzia | ||||||||||
| Barruko diametroa | 1,80 ~ 6.30 | 6,70 ~ 11.20 | 11,8 ~ 21.2 | 22.4 ~ 40,0 | 41,2 ~ 80,0 | 82,5 ~ 160 | 165 ~ 300 | 300 ~ 650 | 670 ~ 910 | 910 ~ 1180 |
| Tolerantzia | ± 0,13 | ± 0,16 | ± 0,19 | ± 0,95 | ± 0,86 | ± 0,78 | ± 0,74 | ± 0,67 | ± 0,60 | ± 0,65 |
| Barne-diametroaren% portzentajea | ||||||||||
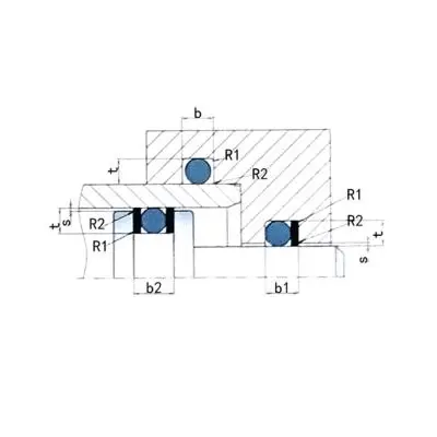
Groove tamaina
![]() |
||||||||||
| Sail D2 | Groove sakonera t | Groove zabalera unitatea: MM (+0,20) | Erradio R1 mm | |||||||
| mm | Estatika | Dinamikoa (hidraulikoa) | Dinamikoa (pneumatikoa) | ban Ez da atxikitzeko eraztunik | b1 1 atxikitzeko eraztuna | b2 2 atxikitzeko eraztunak | ||||
| 1.00 | 0.65 | ± 0,05 | 0.75 | ± 0,02 | 0.80 | ± 0,02 | 1.4 | 2.4 | 3.4 | 0,2-0,4 |
| 1.50 | 1.05 | 1.20 | 1.25 | 2.0 | 3.0 | 4.0 | 0,2-0,4 | |||
| 1.80 | 1.30 | 1.45 | 1.55 | 2.4 | 3.4 | 4.4 | 0,2-0,4 | |||
| 2.00 | 1.50 | 1.65 | 1.75 | 2.7 | 3.7 | 4.7 | 0,2-0,4 | |||
| 2.50 | 1.95 | 2.10 | 2.20 | 3.4 | 4.9 | 6.4 | 0,2-0,4 | |||
| 2.65 | 2.05 | 2.25 | 2.35 | 3.6 | 5.1 | 6.6 | 0,2-0,4 | |||
| 3.00 | 2.40 | 2.55 | 2.70 | 4.2 | 5.7 | 7.2 | 0,2-0,4 | |||
| 3.50 | 2.80 | ± 0,07 | 3.05 | ± 0,05 | 3.20 | ± 0,05 | 4.8 | 5.3 | 7.8 | 0,3-0,6 |
| 3.55 | 2.85 | 3.10 | 3.25 | 4.8 | 6.3 | 7.8 | 0,3-0,6 | |||
| 4.00 | 3.25 | 3.50 | 3.65 | 5.4 | 6.9 | 8.4 | 0,3-0,6 | |||
| 5.00 | 4.15 | ± 0,10 | 4.45 | 4.65 | 6.8 | 8.8 | 10.8 | 0,3-0,6 | ||
| 5.30 | 4.40 | 4.70 | 4.90 | 7.2 | 9.3 | 11.2 | 0,6-1,0 | |||
| 7.00 | 5.85 | 6.25 | 6.55 | 9.6 | 12.1 | 14.6 | 0,6-1,0 | |||
| 8.40 | 7.10 | 7.50 | 7.90 | 12.9 | 13.4 | 15.6 | 0,6-1,0 | |||











Helbidea
No.1 Ruichen Road, Dongliuting industria parkea, Chengyang barrutia, Qingdao hiria, Shandong probintzia, Txina
Tel
Posta elektronikoa