Zigilu birakariak bihurtzea eskatzen duen eszenatoki bakoitzeko "Babes-Presioaren Erresistentzia-Epesa" Trinitate Soluzioa emateko konpromisoa hartzen dugu. 200+ material formulen bidez eta egiturazko patenteen bidez, bezeroei porrot tasak murrizten laguntzen diegu eta TCO optimizazioa lortzen laguntzen dugu. Produktu eredu sorta osoa oso anitza da. Benetako beharren arabera aukeratu dezakezu edo estutze-zigiluak gurekin biratu.
RCR101 Eskeleto birakaria ezpain bakarreko zigilua, antzezpen bakarra, AXIAL Open Groove instalazioa, oso erabilia, gehienetan errodamenduetarako elementu babesgarri gisa erabiltzen da.
RCR102 Skeleto birakaria ezpain bikoitzeko zigilua, antzezpen bakarra, ezpain laguntzailea, hautsa azidoa, zabalik dagoen zirrikituaren instalazioarekin, gehienetan errodamenduetarako elementu babesle gisa erabiltzen dena.
RCR103 zigilu birakaria, antzezpen bikoitza, laguntza eraztuna, presio handiko zigilatzeko baldintzetan zigilatzeko efektu hobea.
RCR104, RCR105 zigilu birakaria, antzezpen bikoitza, zirrikitu estua, zirrikitu egonkorra eta hortz zigilatzeko azalera.
RCR106, RCR107 V-formako birakariaren zigilua, mugimendu axiala, modulu elastiko handia, marruskaduraren erresistentzia, hautsa, kutsatzaileak, ur zipriztinak, olio zipriztinak, etab.
RCR108 zigilu birakaria, antzezpen bakarra, udaberririk ez, barruko eta kanpoko ezpainen interferentzia lan baldintza desberdinen arabera zehazten da.
RCR109 O-ring, eraztun elastikoa gehienetan zigilatze estatiko edo zigilatze dinamikoetarako erabiltzen da, tenperatura ertaineko aukeraketa malgua. Zirrikitu zehatzak egiteko, ikusi O-Ring lagina.
RCR110 tetrafluoroetileno birakaria ardatza, antzezpen bikoitza, zirrikitu estuetarako egokia.
RCR111 Tetrafluoroetileno birakaria Zuloetarako zigilua, antzezpen bikoitza, zirrikitu estuetarako egokia.
RCR112 Zigilu birakaria, antzezpen bikoitza, zirrikitu estua, lubrifikatutako lan baldintzetarako egokia.
RCR113 Zigilu birakaria, antzezpen bikoitza, laguntza eraztuna, estalki egonkorra txertatzea, estrusioen hutsune handiagoa eta presioa ahalbidetzea, gehienetan indusketa ekipoen ardatz biratuan erabiltzen dena.
RCR115 Tetrafluoroethileno birakaria ardatza, antzezpen bikoitza, marruskadura txikia, alboko aurkako presio altua, tenperatura anti-altua korrosioa.
RCR116 tetrafluoroetileno birakaria Zuloetarako, antzezpen bikoitzeko, marruskadura baxua, alderdiaren aurkako presioa, tenperatura anti-korrosioa.
RCR117, RCR121 PTFE zigilu birakaria, Mander Spring, antzezpen bakarreko, tenperatura altuko korrosioarekiko erresistentzia egokia, abiadura nahiko altua eta presio handia egiteko egokia.
RCR118 PTFE zigilu birakaria, Mander Spring, antzezpen bakarra, tenperatura altuko korrosioarekiko erresistentzia duena, gehienetan industria kimikoan erabiltzen dena.
RCR119 Eskeleto birakaria ezpain bakarreko zigilua, antzezpen bakarra, Axial irekitako zirrikitu instalazioa, oso erabilia da, gehienetan errodamenduetarako babes elementu gisa erabiltzen dena.
RCR201, RCR202 hezurdura birakaria ezpain bikoitzeko zigilua, antzezpen bakarra, ezpain laguntzailea, hautsezko ezpainarekin, irekitako groove instalazioarekin, gehienetan errodamenduetarako elementu babesgarri gisa erabiltzen da.
RCR203, RCR204 hezurdura gabeko ezpeletoa birakaria Ezpain bakarreko zigilua, antzezpen bakarra, Axial irekitako groove instalazio finkoa, gehienetan metalurgia eta ontzigintza bezalako industria astunetan erabiltzen dena.
RCR205 Ebaki hezurdura gabeko ezpeletariko birakaria, ezpain bakarreko zigilua, antzezpen bakarra, Axial Open Groove Fixture instalazio finkoa, gehienetan metalurgia eta ontzigintza bezalako industria astunetan erabiltzen dena.
RCR206, RCR207 Ezpain-zigilu birakaria, antzezpen bakarra, antzezpen bakarra, AXIAL Open Groove Fixture instalazio finkoa, gehienetan metalurgia eta ontzigintza bezalako industria astunetan erabiltzen dena. Abiadura txikiko zigilatzeko egokia, zigilatzeko euskarria litioan oinarritutako koipea da.
Produktuen ezaugarriak eta aplikazioak:
Aplikazio nagusiak
Zigilu birakariak bihurtzea egokiak dira ardatz bukaerako zigilatzea, ardatz birakariaren zigilatzea, hondeadak, harriak, birakariak, birakariak, banatzaile birakariak eta zigilu mota hau askotan erabiltzen da petrolio eta industria kimikoetan
Abantailak
Zigilu birakariak moldatu eta tenperatura-tentsio egokiak, zigilatzeko efektu ona, presio handiko erresistentzia, sekzio handiko tamaina txikia, petrolioaren erresistentzia hidraulikoa, marruskadura txikia eta ez da makilarik gabeko fenomenorik.

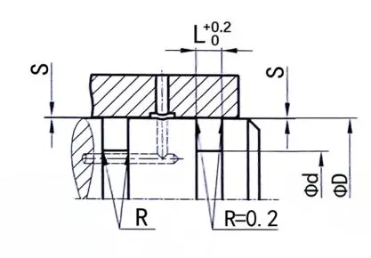
Rcr101
Eskaeraren tamaina
ΦD ...... kanpoko diametroa
ΦD ...... barruko diametroa
L ...... Groove Zabalera
|
Azaleko akabera |
R tmax (μm) |
Ra (μm) |
|
Azalera irristakorra gomazko / poliuretanozko zigiluekin bat datorren Azalera irristakorra PTFE zigiluekin bat datorren |
≤2.5
≤2 |
≤0.1-0.5
≤0.05-0.3 |
|
Groove Behean Groove Alde |
≤6.3 ≤15 |
≤1.6 ≤3 |
|
TP profila Laguntza-luzeraren erlazioa |
% 50 -95% |
|
|
Tolerantzia |
|
|
Φd |
F8 |
|
Φd |
H8 |
Adibidez
Eredua: RCR101
Groove tamaina: 100x115x8
Materiala: NBR / POM

Zigilu mota: RCR101, RCR102
Aplikazio nagusia: ardatz amaierako zigilatzea egokia da
Abantailak: euskarri sorta zabal baterako egokia da, tenperatura zabala eta zigilatze efektu ona
Materiala: poliuretanoa, kautxua / polioximetilenoa
|
Zigilatu groove adibideak |
Honako hauek dira zirrikitu estandarrak (tamaina-barrutiko edozein tamainatako zigilu birakariak ekoiztu daitezke) |
|||||
|
|
|
Φd |
Φd |
L |
c / s |
|
|
6-59,9 |
ΦD + 12 |
7 |
6 |
|||
|
60-139,9 |
ΦD + 15 |
8 |
7.5 |
|||
|
140-299,9 |
ΦD + 20 |
10 |
10 |
|||
|
300-499,9 |
ΦD + 30 |
12 |
15 |
|||
|
500-800 |
ΦD + 40 |
20 |
20 |
|||
|
> 800 |
ΦD + 50 |
22 |
25 |
|||

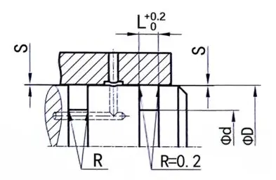
Rcr115
Eskaeraren tamaina
ΦD ...... kanpoko diametroa
ΦD ...... barruko diametroa
L ...... Groove Zabalera
|
Azaleko akabera |
R tmax (μm) |
Ra (μm) |
|
Azalera irristakorra gomazko / poliuretanozko zigiluekin bat datorren Azalera irristakorra PTFE zigiluekin bat datorren |
≤2.5
≤2 |
≤0.1-0.5
≤0.05-0.3 |
|
Groove Behean Groove Alde |
≤6.3 ≤15 |
≤1.6 ≤3 |
|
TP profila Laguntza-luzeraren erlazioa |
% 50 -95% |
|
|
Tolerantzia |
|
|
Φd |
F8 |
|
Φd |
H8 |
Adibidez
Eredua: RCR115
Groove Tamaina: 100x111x4.2
Materiala: PTFE4 + NBR

Zigilu mota: RCR115
Aplikazio nagusia: ardatz birakariaren zigiluak, hondeatzaileak, lagunak, birakako artikulazioetarako egokia.
Abantailak: presio altuari aurre egin diezaioke, zeharkako tamaina txikia du, olio hidraulikoekiko erresistentea da, marruskadura baxua du eta ez du makilarik gabeko fenomenorik.
Materiala: Tetrafluoroetilenoa + Nitrile Kautxua edo Fluororubber
|
Zigilatu groove adibideak |
Honako hauek dira zirrikitu estandarrak (tamaina-barrutiko edozein tamainatako zigilu birakariak ekoiztu daitezke) |
||||||||
|
|
|
Φd |
Φd |
L |
R |
X |
Gehieneko estrusioen hutsunea s |
||
|
100 s |
200 tabar |
||||||||
|
6-18,9 |
ΦD + 4.9 |
2.2 |
0.4 |
1.78 |
0.15 |
0.10 |
|||
|
19-37,9 |
ΦD + 7,5 |
3.2 |
0.6 |
2.62 |
0.20 |
0.15 |
|||
|
38-199,9 |
ΦD + 11 |
4.2 |
1.0 |
3.53 |
0.25 |
0.20 |
|||
|
200-255,9 |
ΦD + 15,5 |
6.3 |
1.3 |
5.33 |
0.30 |
0.25 |
|||
|
256-649,9 |
ΦD + 21 |
8.1 |
1.8 |
7.00 |
0.30 |
0.25 |
|||
|
> 650 |
ΦD + 28 |
9.5 |
2.5 |
8.40 |
0.45 |
0.30 |
|||

Rcr116
Eskaeraren tamaina
ΦD ...... kanpoko diametroa
ΦD ...... barruko diametroa
L ...... Groove Zabalera
|
Azaleko akabera |
R tmax (μm) |
Ra (μm) |
|
Azalera irristakorra gomazko / poliuretanozko zigiluekin bat datorren Azalera irristakorra PTFE zigiluekin bat datorren |
≤2.5
≤2 |
≤0.1-0.5
≤0.05-0.3 |
|
Groove Behean Groove Alde |
≤6.3 ≤15 |
≤1.6 ≤3 |
|
TP profila Laguntza-luzeraren erlazioa |
% 50 -95% |
|
|
Tolerantzia |
|
|
Φd |
F8 |
|
Φd |
H8 |
Adibidez
Eredua: RCR116
Groove tamaina: 100x89x4.2
Materiala: PTFE4 + NBR

Zigilu mota: RCR116
Aplikazio nagusia: ardatz birakariaren amaierako zigiluak, hondeatzaileak, laguntzak, biraketa-artikulazio birakariak, banatzaile birakariak.
Abantailak: komunikabide eta tenperatura aukera zabaletarako egokia da, zigilatze efektu ona du, sekzio-tamaina txikiko tamaina, olio hidraulikoarekiko erresistentzia handia, marruskadura baxua eta ez da makilarik gabeko fenomenoa.
Materiala: Tetrafluoroetilenoa + Nitrile Kautxua edo Fluororubber
|
Zigilatu groove adibideak |
Honako hauek dira zirrikitu estandarrak (tamaina-barrutiko edozein tamainatako zigilu birakariak ekoiztu daitezke) |
||||||||
|
|
|
Φd |
Φd |
L |
R |
O-jo |
Gehieneko estrusioen hutsunea s |
||
|
100 s |
200 tabar |
||||||||
|
8-39,9 |
ΦD-4.9 |
2.2 |
0.4 |
1.78 |
0.15 |
0.10 |
|||
|
40-79,9 |
ΦD-7,5 |
3.2 |
0.6 |
2.62 |
0.20 |
0.15 |
|||
|
80-132.9 |
ΦD-11.0 |
4.2 |
1.0 |
3.53 |
0.25 |
0.20 |
|||
|
133-329,9 |
ΦD-15.5 |
6.3 |
1.3 |
5.33 |
0.30 |
0.25 |
|||
|
330-669.9 |
ΦD-21.0 |
8.1 |
1.8 |
7.00 |
0.30 |
0.25 |
|||
|
> 670 |
ΦD-28.0 |
9.5 |
2.5 |
8.40 |
0.45 |
0.30 |
|||

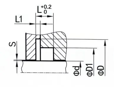
Rcr117
Eskaeraren tamaina
ΦD ...... kanpoko diametroa
Φd1 ...... kanpoko diametroa
ΦD ...... barruko diametroa
L ...... Groove Zabalera
L1 ...... Groove Zabalera
|
Azaleko akabera |
R tmax (μm) |
Ra (μm) |
|
Azalera irristakorra gomazko / poliuretanozko zigiluekin bat datorren Azalera irristakorra PTFE zigiluekin bat datorren |
≤2.5
≤2 |
≤0.1-0.5
≤0.05-0.3 |
|
Groove Behean Groove Alde |
≤6.3 ≤15 |
≤1.6 ≤3 |
|
TP profila Laguntza-luzeraren erlazioa |
% 50 -95% |
|
|
Tolerantzia |
|
|
Φd |
F8 |
|
Φd |
H8 |
Adibidez
Eredua: RCR117
Groove Tamaina: 100x117.5x110.5x7.1x1.8
Materiala: PTFE4 + V

Zigilu mota: RCR117
Aplikazio nagusia: ardatz amaierako zigilatzea biratzeko egokia, zigilu mota hau askotan erabiltzen da petrolio eta produktu kimikoetan
Abantailak: marruskadura baxua, korrosioarekiko erresistentzia, tenperatura altuko erresistentzia, abiadura handiko egokia
Materiala: PTFE, altzairu herdoilgaitzezko udaberria
|
Zigilatu groove adibideak |
Honako hauek dira zirrikitu estandarrak (tamaina-barrutiko edozein tamainatako zigilu birakariak ekoiztu daitezke) |
|||||||||
|
|
|
Φd |
Φd |
FD1 |
L |
L1 |
Gehieneko estrusioen hutsunea s |
|||
|
20bar |
100 s |
200 tabar |
||||||||
|
5-19,9 |
ΦD + 9 |
ΦD + 5 |
3.6 |
0.85 |
0.25 |
0.15 |
0.10 |
|||
|
20-39,9 |
ΦD + 12,5 |
ΦD + 7 |
4.8 |
1.35 |
0.35 |
0.20 |
0.15 |
|||
|
40-399,9 |
ΦD + 17,5 |
ΦD + 10,5 |
7.1 |
1.8 |
0.50 |
0.25 |
0.20 |
|||
|
≥400 |
ΦD + 22 |
ΦD + 14 |
9.5 |
2.8 |
0.60 |
0.30 |
0.25 |
|||



















































Helbidea
No.1 Ruichen Road, Dongliuting industria parkea, Chengyang barrutia, Qingdao hiria, Shandong probintzia, Txina
Tel
Posta elektronikoa